今年第一季度, Littelfuse的碳化硅MOSFET产品在国内某光伏系统项目投标成功, 该产品被成功应用于三相太阳能逆变器辅助电源电路。Littelfuse 的设计方案再次被市场认可, 取得长期合作机会。
Littelfuse作为深耕功率控制、电路保护和传感器产品与服务近百年历史的专业供应商,很早就关注并投入可再生能源应用的研发,时至今日, 众多的产品系列如碳化硅、TVS二极管、温度传感器、IGBT、压敏电阻、门驱动等已被全球核心客户所采用,光伏逆变器是其中一个重要的应用。
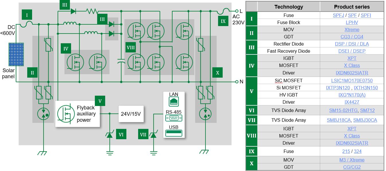
从方案角度来看,光伏逆变器构架大致分为微型逆变器、集中逆变器和组串逆变器。不论哪种方案,在导赢客户的过程中产品可靠性、性价比及技术支持缺一不可。从技术发展趋势来看,微型逆变器功率持续在增加;集中式逆变器由于容易造成整套系统脱网,给用户带来损失和风险,目前组串式逆变器的系统整合模式更受市场青睐,越来越成为主流应用架构。在组串式逆变器设计中,Littelfuse的功率MOSFET、IGBT、整流二极管、快恢复二极管、栅极驱动器、TVS二极管、保险丝、压敏电阻、气体放电管等诸多产品等,都是方案中必不可少的电子器件,Littelfuse可以同时提供功率器件和保护器件的优质产品,为用户提供高功率密度、高可靠性、高性价比的整体解决方案。。
光伏系统辅助电源方案设计中有几种取电方式,光伏板上直接取直流电、电网取电或两种方式兼具。通过光伏取电,一般1000 V系统的直流电压最高可达900 V左右,1500 V的系统最高可达1400 V左右,此种方案设计相对简单,成本较低,但缺点是光伏板上传输的直流电压波动比较大,可靠性相对欠缺;通过电网取电,一般电网侧电压是AC400~800 V,此方案可靠性高,但设计相对复杂,成本比较高。Littelfuse推荐选用1700V碳化硅MOSFET LSIC1MO170E0750作为逆变器中辅助电源的功率控制器件,由于Littelfuse 1700V Sic Mosfet性价比的优势,甚至有客户用此器件涵盖低压到高压应用场景,以减少料号管理和成本。

Littelfuse 碳化硅LSIC1MO170E0750系列
另外,逆变器的工作效率和功耗问题也是方案的核心关注点。以LSIC1MO170E0750为例,该器件是一款750 mΩ N沟道碳化硅工艺MOSFET,此工艺使得开关速度和寄生参数方面较传统MOSFET更具优势,可提高近3%的效率,极大的改善了散热性能。快速开关频率、高转换效率及1700 V高电压能力,使其成为高压、高效逆变应用的不二选择。该器件极低的栅极电荷、超低导通电阻和输出电容使其适合用于各种高频开关的应用。
产品以市场上最严苛的标准通过测试,帮助客户终端产品符合各种标准要求是Littelfuse 产品研发的重要考量因素。 光伏产品应用多部署于较高海拔或气候干燥的内陆,在高温、风沙等恶劣环境中,用户对产品的可靠性有着极高的要求,产品在系统设计、测试、验证环节需要满足诸多严苛的行业标准。比如,高压高温反偏测试(HV-HTRB)、HV-H3TRB等,这些极限测试标准,虽未被列入行业强制性标准,但会作为用户内部选型参考标准,以确保光伏系统中的功率器件在极端恶劣环境下能够长期、稳定的运行。此次之所以能够一次通过系统测试,正是源于Littelfuse一直以来对产品品控的长期投入,验证测试环节始终按极限标准执行,才能在竞争中脱颖而出。
另外, 以广泛的产品系列为客户提供一站式供应,更有利于优化和完整方案, 控制成本。 Littelfuse 公司是全球功率控制、电路保护、传感领域产品系列最全面的供应商, 应用工程师依托用户原有的设计思路,结合自身的产品特点、技术参数、外围器件,在充分考虑产品优势和设计的核心价值基础之上,向用户提供最优的整体解决方案,最大限度发挥产品的性能。如今在这个市场被客户使用的产品系列包括功率MOSFET、IGBT、整流二极管,快恢复二极管、栅极驱动器、TVS二极管、保险丝、压敏电阻、气体放电管等诸多产品。下图是推荐的典型应用电路图供参考。

单相组串式太阳能逆变器应用

三相组串式太阳能逆变器应用

三相串的过压保护
值得一提的是, 作为一线国际品牌,Littelfuse的专业的技术服务工程师分布在国内各个区域便于及时地为客户提供技术支持,并提供实验室为客户做测试, 这也是获得市场认可的的关键因素之一。
更多资讯请关注微信公众号:神卡申请助手 选靓号、办大流量手机卡就找微信公众号:神卡申请助手!点我挑选靓号,点我选套餐
评论区